ユニリーバ・ジャパン場所を変更する
~これ聞いて!~
ユニリーバが選ぶ天然カルサイトの秘密
【サステナブルなパッケージ】ラックスも、ダヴも!再生プラスチックについて
【サステナブルなパッケージ】サシェをよりリサイクルしやすく!
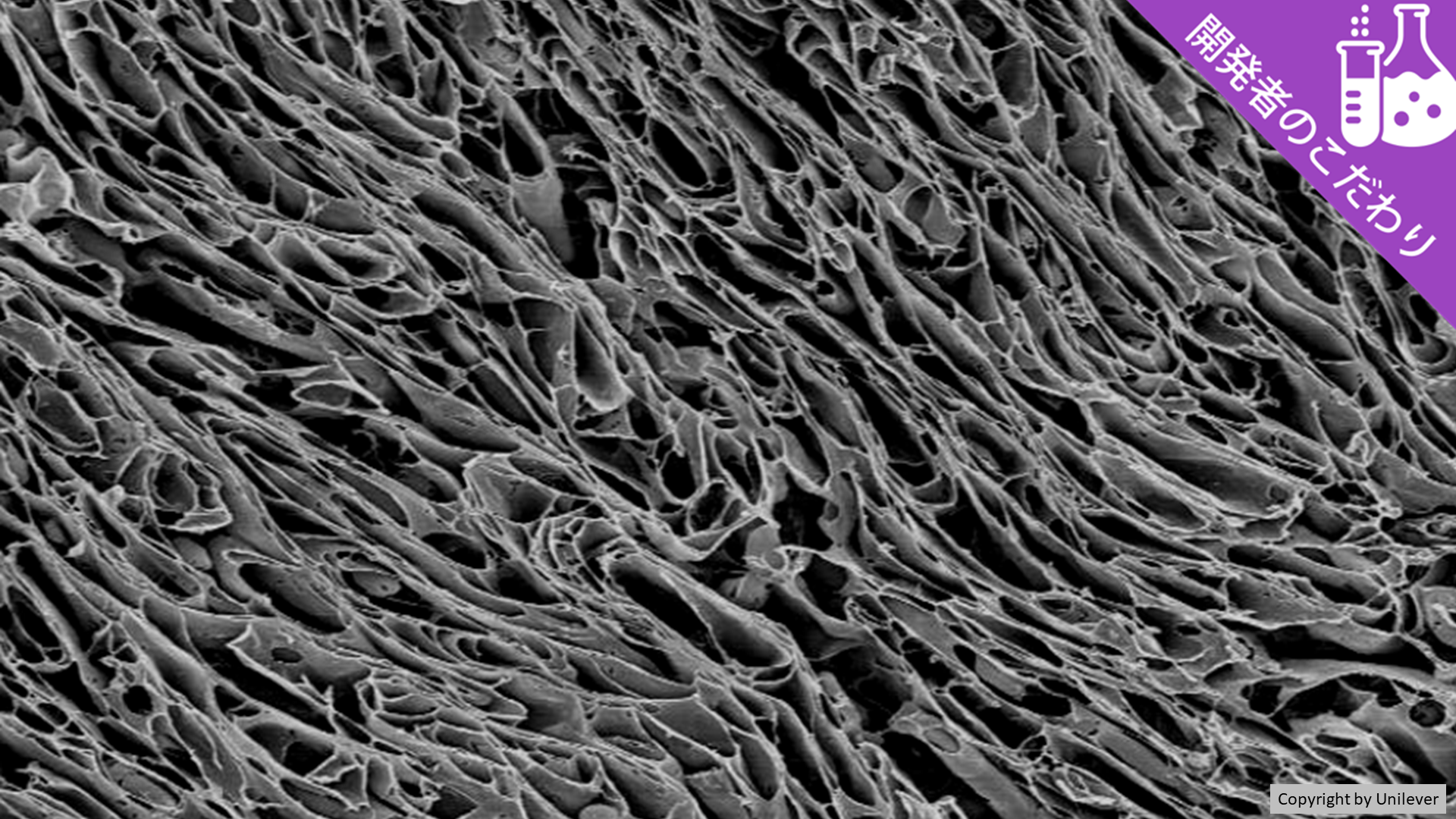
ユニリーバ独自製法のコンディショナー・トリートメントについて
最前線で乾燥・ばい菌からお肌を守る「美肌菌」
次亜塩素酸ナトリウムは家庭の衛生の強い味方